Largest Spoon Sports distributor in AUS and NZ - bringing you authentic parts, faster delivery, and trusted local support.

Skip to main content
JDMyard Pty Ltd logo
0
    • 02 9757 2364
    • 25/317-391 Woodpark Rd
      Smithfield NSW 2164
    • Wishlist
  • 0
  • Browse Categories
    • BRANDS
      BRANDS
    • CLEARANCE
      CLEARANCE
    • ACCESSORIES
      ACCESSORIES
        • APPAREL
          • HEADWEAR
          • HOODIES & JACKETS
          • RACING GEAR
          • T-SHIRTS
        • KEYCHAINS & LANYARDS
          • KEYCHAINS
          • LANYARDS
        • MISC
          • BAGS / WALLET
          • CAR MODELS
          • GIFT CARDS
          • LEPEL PINS
          • PHONE CASES
          • SKATE DECKS
          • STORAGE
          • UMBRELLAS
          • WATCHES
        • STICKERS/DECALS
          • BANNER FLAGS
          • DECALS
          • WHEELS DECALS
          • WINDSHIELD BANNERS
    • BRAKE SYSTEM
      BRAKE SYSTEM
        • BRAKE KITS
          • CALIPERS
          • DRAG BRAKE KIT
          • FRONT BRAKE KIT
          • REAR BRAKE KIT
        • BRAKE PADS
          • FRONT BRAKE PADS
          • FRONT+REAR
          • REAR BRAKE PADS
        • LINES & MISC
          • BRAKE BOOSTER LINES
          • BRAKE FLUID
          • BRAKE LINES
          • HAND BRAKES
          • PROPORTIONING VALVE
          • SPACERS
        • MASTER CYLINDERS
          • BOOSTER DELETE PLATE
          • MASTER CYLINDER BRACE
          • MASTER CYLINDERS
          • RESERVOIR COVERS
        • ROTORS
          • BRAKE ROTOR KIT
          • FASTENERS
          • FRONT ROTORS
          • REAR ROTORS
    • DRIVETRAIN
      DRIVETRAIN
        • AXLES
          • AXLE GEAR & PARTS
          • B SERIES
          • D SERIES
          • DRIVE SHAFT SPACERS
          • H SERIES
          • K SERIES / K SWAP
          • WHEEL HUBS & BEARINGS
        • CLUTCH & FLYWHEEL
          • 86/BRZ FA20
          • B SERIES
          • CLUTCH LINE
          • CLUTCH MASTER CYLINDER
          • CLUTCH SLAVE CYLINDER
          • D SERIES
          • F SERIES
          • H SERIES
          • K SERIES
          • L15
          • R18
          • S2000
        • GEARBOX & INTERNALS
          • CABLE / HYDRO CONVERSION
          • DRAIN PLUGS
          • FINAL DRIVE KITS
          • GEARBOX OIL
          • GEARBOX PARTS
          • GEARS & GEAR SETS
          • LSD / DIFFERENTIAL
          • SYNCHROS & HUBS
        • SHIFTING SYSTEM
          • B SERIES SHIFTERS
          • K SERIES SHIFTERS
          • SHIFT BOOTS
          • SHIFT KNOBS
          • SHIFT LINKAGE / CABLES / BRACKETS
          • SHIFT PLATES
          • SHIFTER BUSHINGS
          • SHIFTER EXTENSION ADAPTER
          • SHIFTER PARTS
          • SHORT SHIFTERS
    • ELECTRONICS
      ELECTRONICS
        • BATTERY
          • BATTERIES
          • BATTERY MOUNT
          • BATTERY TIE DOWN
        • DASH & GAUGES
          • CONTROLLERS
          • DIGITAL DASH
          • GAUGE ACCESSORIES
          • GAUGES
          • SENSOR ADAPTERS
        • ENGINE MANAGEMENT
          • ECU PARTS
          • TUNABLE ECU / CHIP
        • IGNITION SYSTEM
          • COIL ON PLUG
          • DISTRIBUTOR
          • IGNITION COVERS
          • IGNITION WIRES / COIL PACKS
          • KEYS
          • RELAYS
          • SPARK PLUGS
          • TRIGGER WHEEL
        • LIGHTING
          • CORNER LIGHTS
          • FOG LIGHTS
          • HEAD LIGHTS
          • HID CONVERSION
          • INTERIOR LIGHTS
          • SIDE MARKERS
          • TAIL LIGHTS
        • SENSORS
          • 02 SENSOR
          • BOOST SOLENOID
          • COOLANT / TEMP / FAN SENSORS
          • KNOCK SENSOR
          • MAP SENSOR
          • OIL TEMP / PRESSURE SENSORS
          • OTHER SENSORS
          • SENSOR ADAPTERS
          • THROTTLE POSITION SENSOR
        • WIRE HARNESS
          • CONVERSION HARNESS
          • ENGINE LOOM
          • JUMPER HARNESS
    • ENGINE
      ENGINE
        • AIR INDUCTION
          • ADAPTERS
          • AIR FILTERS
          • CARBON INTAKES
          • COLD AIR INTAKES
          • HOSES & COUPLERS
          • HYBRID INTAKES
          • SHORT RAM INTAKES
          • VELOCITY STACKS
        • CAM & CAM GEARS
          • B SERIES
          • D SERIES
          • F SERIES
          • H SERIES
          • K SERIES
          • R SERIES
        • COMPLETE ENGINE
        • COOLING
          • COOLANT & TEMP SENSORS
          • HOSE ADAPTERS
          • INTERCOOLERS
          • OIL COOLERS
          • RADIATOR ACCESSORIES
          • RADIATOR CAPS
          • RADIATOR COOLING PLATES
          • RADIATOR FANS
          • RADIATOR HOSES
          • RADIATORS
          • THERMOSTAT
          • WATER NECK & PLATES
          • WATER PUMPS
        • ENGINE DRESS UP
          • BATTERY TIE DOWN
          • CAM SEALS
          • ENGINE WASHERS
          • IGNITION COVERS
          • OIL CAPS
          • OIL CATCH CAN
          • OIL DIP STICK
          • RADIATOR CAPS
          • RADIATOR STAY
          • SOLENOID COVERS
          • TIMING COVERS
          • VALVE COVERS
        • ENGINE MOUNTS
          • 01-05 CIVIC / 02-06 INTEGRA
          • 06-11 CIVIC
          • 12-19 CIVIC
          • 17-21 CIVIC
          • 23+ CIVIC
          • 84-91 CIVIC / CRX
          • 86-93 INTEGRA
          • 90-05 NSX
          • 92-95 CIVIC / 94-01 INTEGRA
          • 96-00 CIVIC
          • ACCORD EURO / TSX
          • ENGINE MOUNT HARDWARE
          • FIT / CRZ / CRV
          • MOUNT BUSHINGS
          • S2000 / PRELUDE
        • ENGINE PARTS
          • A/C & P/S PARTS
          • ALTERNATORS
          • AUXILARY BELTS
          • BLOCK OFF PLATES
          • BLOCK SLEEVES
          • CONNECTING RODS
          • CRANK PULLEYS / DAMPER
          • CRANKSHAFT
          • CYLINDER HEAD
          • ENGINE BEARINGS
          • HEAD STUDS / ENGINE FASTENERS
          • HOSES & TUBES
          • LS/VTEC KITS
          • OIL PANS
          • OIL PUMPS
          • PISTONS
          • SOLENOIDS
          • THROTTLE BODY
          • TIMING CHAIN / BELT
          • TIMING TENSIONERS
          • WATER PUMPS
        • FUEL SYSTEM
          • FLEX FUEL SYSTEM
          • FUEL CELL
          • FUEL FILLER CAPS
          • FUEL FILTERS
          • FUEL FITTINGS & BRACKETS
          • FUEL GAUGES
          • FUEL LINES & KITS
          • FUEL PRESSURE REGULATORS
          • FUEL PUMPS
          • FUEL RAILS
          • FUEL SURGE TANK
          • INJECTORS
        • HEAT MANAGEMENT
        • HEATING
          • HEATER HOSES
          • HOSE ADAPTERS
        • INTAKE MANIFOLD
          • B SERIES
          • CABLE & BRACKET
          • D & H SERIES
          • F SERIES
          • INTAKE & TB ADAPTERS
          • INTAKE & TB GASKETS
          • INTAKE ACCESSORIES
          • K SERIES
          • SPACERS
          • THROTTLE BODY
          • TPS/MAP/IACV SENSORS
        • MAINTENANCE
          • DISTRIBUTORS
          • ENGINE OIL
          • FLUIDS & LUBRICANTS
          • GASKETS & SEALS
          • MAGNETIC DRAIN PLUGS
          • OIL FILTER
          • SENSORS
          • SPARK PLUGS
          • TOOLS
        • TURBO & SUPERCHARGER
          • BLOW OFF VALVE
          • BOOST CONTROLLERS
          • INTERCOOLERS
          • MAP SENSORS
          • SUPERCHARGERS
          • TURBO MANIFOLDS
          • TURBOS
          • WASTEGATE
        • VALVETRAIN
          • FULL VALVETRAIN KIT
          • RETAINERS
          • ROCKERS
          • VALVE GUIDES & LMA
          • VALVE SEALS & LOCKS
          • VALVE SPRINGS
          • VALVES
    • EXHAUST
      EXHAUST
        • EXHAUST SYSTEM
          • ADAPTERS & FITTINGS
          • AXLE BACK MUFFLER
          • CAT BACK EXHAUST
          • DOWN PIPE
          • EXHAUST HANGERS
          • FRONT PIPE
          • GASKETS & HARDWARE
          • MID PIPE
          • SILENCER
          • TURBO BACK EXHAUST
        • HEADERS
          • B SERIES
          • C SERIES
          • D SERIES
          • H SERIES
          • HEADER GASKETS & FLANGES
          • K SERIES
          • K SWAP
          • S2000
          • TEST PIPES / HIGH FLOW CAT
        • TURBO MANIFOLDS
          • 13B
          • 4B SERIES
          • 4G SERIES
          • B SERIES
          • BARRA
          • D SERIES
          • H SERIES
          • JZ SERIES
          • K SERIES
          • KA SERIES
          • RB SERIES
          • S2000
          • SR SERIES
          • VOTEC 4200
    • EXTERIOR
      EXTERIOR
        • AERO PARTS
          • AIR DUCTS
          • BONNETS
          • BUMPER BARS
          • CANARDS
          • DOOR VISORS
          • FENDERS
          • FRONT GRILLS
          • FRONT LIPS
          • HARDTOP
          • MOUNTS & BRACKETS
          • REAR DIFFUSER
          • REAR SPATS
          • REAR WING
          • SIDE MIRRORS
          • SIDE SKIRTS
          • VENTS
        • BONNET PINS
          • AEROCATCH
        • EMBLEMS
          • FRONT EMBLEMS
          • REAR EMBLEMS
        • EXTERIOR ACCESSORIES
          • ANTENNA
          • BONNET / DOOR HINGES
          • BONNET BRAS
          • CAR COVERS
          • EXTERIOR DRESS UP
          • FASTENERS
          • FASTERNERS
          • FENDER WASHERS
          • LICENCE PLATE BRACKETS
          • MUD GUARDS
          • TOW HOOKS
          • WASHER NOZZLE
          • WIPERS
        • LIGHTING
          • FOG LIGHTS
          • HEAD LIGHTS
          • HID CONVERSION
          • INTERIOR LIGHTS
          • SIDE MARKERS
          • TAIL LIGHTS
    • INTERIOR
      INTERIOR
        • BOSS KIT / QUICK RELEASE
          • HKB
          • SPOON SPORTS
          • WORKS BELL
        • OTHER INTERIOR
          • ACCESSORIES
          • CABIN FILTERS
          • FLOOR MATS
          • INTERIOR TRIM
          • PEDALS
          • REAR VIEW MIRROR
        • RACE SEATS
          • ACCESSORIES
          • BUCKET SEATS
          • SEAT RAILS / MOUNTS
        • SAFETY HARNESS
        • SHIFT KNOBS
          • ACUITY
          • BATTLE CRAFT
          • CHECKERED SPORTS
          • HONDA
          • HYBRID RACING
          • MUGEN
          • OTHERS
          • SKUNK2
          • SPOON
        • SHORT SHIFTERS
          • B/D SHOFT SHIFTERS
          • HAND BRAKES
          • K SERIES SHORT SHIFTERS
          • SHIFT BOOTS
          • SHIFT PLATES
          • SHIFTER EXTENDERS
          • SHORT SHIFTERS
        • STEERING WHEELS
          • ACCESSORIES
          • MOMO
          • NARDI
          • PERSONAL
          • SPOON
    • SUSPENSION
      SUSPENSION
        • BUSHINGS
          • FRONT COMPLIANCE BUSHINGS
          • FRONT LOWER ARM BUSHINGS
          • FRONT UPPER ARM BUSHINGS
          • FULL BUSHING KIT
          • REAR LOWER ARM BUSHINGS
          • REAR UPPER ARM BUSHINGS
          • STEERING RACK BUSH
          • SWAY BAR BUSHINGS
          • TRAILING ARM BUSHINGS
        • CAMBER KITS
          • ANTI BUMPSTEER KIT
          • FRONT CAMBER KITS
          • REAR CAMBER KITS
          • REAR TOE KITS
          • REPLACEMENT BALL JOINTS
          • ROLL CENTER ADJUSTERS
          • TIE RODS
        • CHASSIS
          • CHASSIS BRACE
          • CROSS BARS
          • DROP FORKS
          • FRONT LOWER CONTROL ARMS
          • LOWER ARM BARS
          • PACKAGES
          • REAR LOWER CONTROL ARMS
          • REAR TRAILING ARMS
          • RIGID COLLAR KITS
          • ROLL CAGE
          • STRUT BARS
          • SUBFRAME BRACE
          • SUBFRAME HARDWARE
          • SWAY BAR END LINKS
          • SWAY BARS
          • TIE RODS
          • TRACTION BARS
        • COILOVERS
          • HARDRACE
          • HKS
          • OHLINS
          • SPOON SPORTS
        • OTHER SUSPENSION
          • BALL JOINT
          • BUMP STEER KIT
          • LOWERING SPRINGS
          • SHOCKS
          • SUSPENSION HARDWARE
          • TOP HATS
        • STEERING
          • BOOTS
    • WHEELS&TYRES
      WHEELS&TYRES
        • NUTS/BOLTS/STUDS
          • WHEEL SPACERS
        • TYRES
        • WHEELS
    • BRANDS
    • CLEARANCE
      CLEARANCE
    • ACCESSORIES
      ACCESSORIES
        • APPAREL
          • HEADWEAR
          • HOODIES & JACKETS
          • RACING GEAR
          • T-SHIRTS
        • KEYCHAINS & LANYARDS
          • KEYCHAINS
          • LANYARDS
        • MISC
          • BAGS / WALLET
          • CAR MODELS
          • GIFT CARDS
          • LEPEL PINS
          • PHONE CASES
          • SKATE DECKS
          • STORAGE
          • UMBRELLAS
          • WATCHES
        • STICKERS/DECALS
          • BANNER FLAGS
          • DECALS
          • WHEELS DECALS
          • WINDSHIELD BANNERS
    • BRAKE SYSTEM
      BRAKE SYSTEM
        • BRAKE KITS
          • CALIPERS
          • DRAG BRAKE KIT
          • FRONT BRAKE KIT
          • REAR BRAKE KIT
        • BRAKE PADS
          • FRONT BRAKE PADS
          • FRONT+REAR
          • REAR BRAKE PADS
        • LINES & MISC
          • BRAKE BOOSTER LINES
          • BRAKE FLUID
          • BRAKE LINES
          • HAND BRAKES
          • PROPORTIONING VALVE
          • SPACERS
        • MASTER CYLINDERS
          • BOOSTER DELETE PLATE
          • MASTER CYLINDER BRACE
          • MASTER CYLINDERS
          • RESERVOIR COVERS
        • ROTORS
          • BRAKE ROTOR KIT
          • FASTENERS
          • FRONT ROTORS
          • REAR ROTORS
    • DRIVETRAIN
      DRIVETRAIN
        • AXLES
          • AXLE GEAR & PARTS
          • B SERIES
          • D SERIES
          • DRIVE SHAFT SPACERS
          • H SERIES
          • K SERIES / K SWAP
          • WHEEL HUBS & BEARINGS
        • CLUTCH & FLYWHEEL
          • 86/BRZ FA20
          • B SERIES
          • CLUTCH LINE
          • CLUTCH MASTER CYLINDER
          • CLUTCH SLAVE CYLINDER
          • D SERIES
          • F SERIES
          • H SERIES
          • K SERIES
          • L15
          • R18
          • S2000
        • GEARBOX & INTERNALS
          • CABLE / HYDRO CONVERSION
          • DRAIN PLUGS
          • FINAL DRIVE KITS
          • GEARBOX OIL
          • GEARBOX PARTS
          • GEARS & GEAR SETS
          • LSD / DIFFERENTIAL
          • SYNCHROS & HUBS
        • SHIFTING SYSTEM
          • B SERIES SHIFTERS
          • K SERIES SHIFTERS
          • SHIFT BOOTS
          • SHIFT KNOBS
          • SHIFT LINKAGE / CABLES / BRACKETS
          • SHIFT PLATES
          • SHIFTER BUSHINGS
          • SHIFTER EXTENSION ADAPTER
          • SHIFTER PARTS
          • SHORT SHIFTERS
    • ELECTRONICS
      ELECTRONICS
        • BATTERY
          • BATTERIES
          • BATTERY MOUNT
          • BATTERY TIE DOWN
        • DASH & GAUGES
          • CONTROLLERS
          • DIGITAL DASH
          • GAUGE ACCESSORIES
          • GAUGES
          • SENSOR ADAPTERS
        • ENGINE MANAGEMENT
          • ECU PARTS
          • TUNABLE ECU / CHIP
        • IGNITION SYSTEM
          • COIL ON PLUG
          • DISTRIBUTOR
          • IGNITION COVERS
          • IGNITION WIRES / COIL PACKS
          • KEYS
          • RELAYS
          • SPARK PLUGS
          • TRIGGER WHEEL
        • LIGHTING
          • CORNER LIGHTS
          • FOG LIGHTS
          • HEAD LIGHTS
          • HID CONVERSION
          • INTERIOR LIGHTS
          • SIDE MARKERS
          • TAIL LIGHTS
        • SENSORS
          • 02 SENSOR
          • BOOST SOLENOID
          • COOLANT / TEMP / FAN SENSORS
          • KNOCK SENSOR
          • MAP SENSOR
          • OIL TEMP / PRESSURE SENSORS
          • OTHER SENSORS
          • SENSOR ADAPTERS
          • THROTTLE POSITION SENSOR
        • WIRE HARNESS
          • CONVERSION HARNESS
          • ENGINE LOOM
          • JUMPER HARNESS
    • ENGINE
      ENGINE
        • AIR INDUCTION
          • ADAPTERS
          • AIR FILTERS
          • CARBON INTAKES
          • COLD AIR INTAKES
          • HOSES & COUPLERS
          • HYBRID INTAKES
          • SHORT RAM INTAKES
          • VELOCITY STACKS
        • CAM & CAM GEARS
          • B SERIES
          • D SERIES
          • F SERIES
          • H SERIES
          • K SERIES
          • R SERIES
        • COMPLETE ENGINE
        • COOLING
          • COOLANT & TEMP SENSORS
          • HOSE ADAPTERS
          • INTERCOOLERS
          • OIL COOLERS
          • RADIATOR ACCESSORIES
          • RADIATOR CAPS
          • RADIATOR COOLING PLATES
          • RADIATOR FANS
          • RADIATOR HOSES
          • RADIATORS
          • THERMOSTAT
          • WATER NECK & PLATES
          • WATER PUMPS
        • ENGINE DRESS UP
          • BATTERY TIE DOWN
          • CAM SEALS
          • ENGINE WASHERS
          • IGNITION COVERS
          • OIL CAPS
          • OIL CATCH CAN
          • OIL DIP STICK
          • RADIATOR CAPS
          • RADIATOR STAY
          • SOLENOID COVERS
          • TIMING COVERS
          • VALVE COVERS
        • ENGINE MOUNTS
          • 01-05 CIVIC / 02-06 INTEGRA
          • 06-11 CIVIC
          • 12-19 CIVIC
          • 17-21 CIVIC
          • 23+ CIVIC
          • 84-91 CIVIC / CRX
          • 86-93 INTEGRA
          • 90-05 NSX
          • 92-95 CIVIC / 94-01 INTEGRA
          • 96-00 CIVIC
          • ACCORD EURO / TSX
          • ENGINE MOUNT HARDWARE
          • FIT / CRZ / CRV
          • MOUNT BUSHINGS
          • S2000 / PRELUDE
        • ENGINE PARTS
          • A/C & P/S PARTS
          • ALTERNATORS
          • AUXILARY BELTS
          • BLOCK OFF PLATES
          • BLOCK SLEEVES
          • CONNECTING RODS
          • CRANK PULLEYS / DAMPER
          • CRANKSHAFT
          • CYLINDER HEAD
          • ENGINE BEARINGS
          • HEAD STUDS / ENGINE FASTENERS
          • HOSES & TUBES
          • LS/VTEC KITS
          • OIL PANS
          • OIL PUMPS
          • PISTONS
          • SOLENOIDS
          • THROTTLE BODY
          • TIMING CHAIN / BELT
          • TIMING TENSIONERS
          • WATER PUMPS
        • FUEL SYSTEM
          • FLEX FUEL SYSTEM
          • FUEL CELL
          • FUEL FILLER CAPS
          • FUEL FILTERS
          • FUEL FITTINGS & BRACKETS
          • FUEL GAUGES
          • FUEL LINES & KITS
          • FUEL PRESSURE REGULATORS
          • FUEL PUMPS
          • FUEL RAILS
          • FUEL SURGE TANK
          • INJECTORS
        • HEAT MANAGEMENT
        • HEATING
          • HEATER HOSES
          • HOSE ADAPTERS
        • INTAKE MANIFOLD
          • B SERIES
          • CABLE & BRACKET
          • D & H SERIES
          • F SERIES
          • INTAKE & TB ADAPTERS
          • INTAKE & TB GASKETS
          • INTAKE ACCESSORIES
          • K SERIES
          • SPACERS
          • THROTTLE BODY
          • TPS/MAP/IACV SENSORS
        • MAINTENANCE
          • DISTRIBUTORS
          • ENGINE OIL
          • FLUIDS & LUBRICANTS
          • GASKETS & SEALS
          • MAGNETIC DRAIN PLUGS
          • OIL FILTER
          • SENSORS
          • SPARK PLUGS
          • TOOLS
        • TURBO & SUPERCHARGER
          • BLOW OFF VALVE
          • BOOST CONTROLLERS
          • INTERCOOLERS
          • MAP SENSORS
          • SUPERCHARGERS
          • TURBO MANIFOLDS
          • TURBOS
          • WASTEGATE
        • VALVETRAIN
          • FULL VALVETRAIN KIT
          • RETAINERS
          • ROCKERS
          • VALVE GUIDES & LMA
          • VALVE SEALS & LOCKS
          • VALVE SPRINGS
          • VALVES
    • EXHAUST
      EXHAUST
        • EXHAUST SYSTEM
          • ADAPTERS & FITTINGS
          • AXLE BACK MUFFLER
          • CAT BACK EXHAUST
          • DOWN PIPE
          • EXHAUST HANGERS
          • FRONT PIPE
          • GASKETS & HARDWARE
          • MID PIPE
          • SILENCER
          • TURBO BACK EXHAUST
        • HEADERS
          • B SERIES
          • C SERIES
          • D SERIES
          • H SERIES
          • HEADER GASKETS & FLANGES
          • K SERIES
          • K SWAP
          • S2000
          • TEST PIPES / HIGH FLOW CAT
        • TURBO MANIFOLDS
          • 13B
          • 4B SERIES
          • 4G SERIES
          • B SERIES
          • BARRA
          • D SERIES
          • H SERIES
          • JZ SERIES
          • K SERIES
          • KA SERIES
          • RB SERIES
          • S2000
          • SR SERIES
          • VOTEC 4200
    • EXTERIOR
      EXTERIOR
        • AERO PARTS
          • AIR DUCTS
          • BONNETS
          • BUMPER BARS
          • CANARDS
          • DOOR VISORS
          • FENDERS
          • FRONT GRILLS
          • FRONT LIPS
          • HARDTOP
          • MOUNTS & BRACKETS
          • REAR DIFFUSER
          • REAR SPATS
          • REAR WING
          • SIDE MIRRORS
          • SIDE SKIRTS
          • VENTS
        • BONNET PINS
          • AEROCATCH
        • EMBLEMS
          • FRONT EMBLEMS
          • REAR EMBLEMS
        • EXTERIOR ACCESSORIES
          • ANTENNA
          • BONNET / DOOR HINGES
          • BONNET BRAS
          • CAR COVERS
          • EXTERIOR DRESS UP
          • FASTENERS
          • FASTERNERS
          • FENDER WASHERS
          • LICENCE PLATE BRACKETS
          • MUD GUARDS
          • TOW HOOKS
          • WASHER NOZZLE
          • WIPERS
        • LIGHTING
          • FOG LIGHTS
          • HEAD LIGHTS
          • HID CONVERSION
          • INTERIOR LIGHTS
          • SIDE MARKERS
          • TAIL LIGHTS
    • INTERIOR
      INTERIOR
        • BOSS KIT / QUICK RELEASE
          • HKB
          • SPOON SPORTS
          • WORKS BELL
        • OTHER INTERIOR
          • ACCESSORIES
          • CABIN FILTERS
          • FLOOR MATS
          • INTERIOR TRIM
          • PEDALS
          • REAR VIEW MIRROR
        • RACE SEATS
          • ACCESSORIES
          • BUCKET SEATS
          • SEAT RAILS / MOUNTS
        • SAFETY HARNESS
        • SHIFT KNOBS
          • ACUITY
          • BATTLE CRAFT
          • CHECKERED SPORTS
          • HONDA
          • HYBRID RACING
          • MUGEN
          • OTHERS
          • SKUNK2
          • SPOON
        • SHORT SHIFTERS
          • B/D SHOFT SHIFTERS
          • HAND BRAKES
          • K SERIES SHORT SHIFTERS
          • SHIFT BOOTS
          • SHIFT PLATES
          • SHIFTER EXTENDERS
          • SHORT SHIFTERS
        • STEERING WHEELS
          • ACCESSORIES
          • MOMO
          • NARDI
          • PERSONAL
          • SPOON
    • SUSPENSION
      SUSPENSION
        • BUSHINGS
          • FRONT COMPLIANCE BUSHINGS
          • FRONT LOWER ARM BUSHINGS
          • FRONT UPPER ARM BUSHINGS
          • FULL BUSHING KIT
          • REAR LOWER ARM BUSHINGS
          • REAR UPPER ARM BUSHINGS
          • STEERING RACK BUSH
          • SWAY BAR BUSHINGS
          • TRAILING ARM BUSHINGS
        • CAMBER KITS
          • ANTI BUMPSTEER KIT
          • FRONT CAMBER KITS
          • REAR CAMBER KITS
          • REAR TOE KITS
          • REPLACEMENT BALL JOINTS
          • ROLL CENTER ADJUSTERS
          • TIE RODS
        • CHASSIS
          • CHASSIS BRACE
          • CROSS BARS
          • DROP FORKS
          • FRONT LOWER CONTROL ARMS
          • LOWER ARM BARS
          • PACKAGES
          • REAR LOWER CONTROL ARMS
          • REAR TRAILING ARMS
          • RIGID COLLAR KITS
          • ROLL CAGE
          • STRUT BARS
          • SUBFRAME BRACE
          • SUBFRAME HARDWARE
          • SWAY BAR END LINKS
          • SWAY BARS
          • TIE RODS
          • TRACTION BARS
        • COILOVERS
          • HARDRACE
          • HKS
          • OHLINS
          • SPOON SPORTS
        • OTHER SUSPENSION
          • BALL JOINT
          • BUMP STEER KIT
          • LOWERING SPRINGS
          • SHOCKS
          • SUSPENSION HARDWARE
          • TOP HATS
        • STEERING
          • BOOTS
    • WHEELS&TYRES
      WHEELS&TYRES
        • NUTS/BOLTS/STUDS
          • WHEEL SPACERS
        • TYRES
        • WHEELS

Refine Results

Car Model

Vehicle Applications

Refine Results

Product Category

Vehicle Applications

Model

  1. Home
  2. BRAKE SYSTEM
  3. BRAKE KITS
  4. CALIPERS
  5. OEM HONDA CALIPER REBUILD KIT DC2 INTEGRA TYPE R FRONT
Product main image

OEM HONDA CALIPER REBUILD KIT DC2 INTEGRA TYPE R FRONT

In Stock-Ready To Ship 3 in stock
(0 review) 050

AU $86.00
GST incl
Shop Now. Pay Later
4 interest-free payments of $21.50 & get it now!
own it now, 6 monthly interest-free payments of $14.33
zip logo
heart icon

Want it

Choose the items
you love and select
Zip at checkout
cart icon

Get it

We pay the store,
you get the goods,
nothing to pay today
thumbsup icon

Own it

Choose how you pay us
back over time, up to
3 months interest free*
zip money logo
zip pay logo

*A $6 monthly account fee applies
(only payable if a balance is owing) See full Ts & Cs

View Cart

Specifications

SKU

01463-S87-A01

Notes

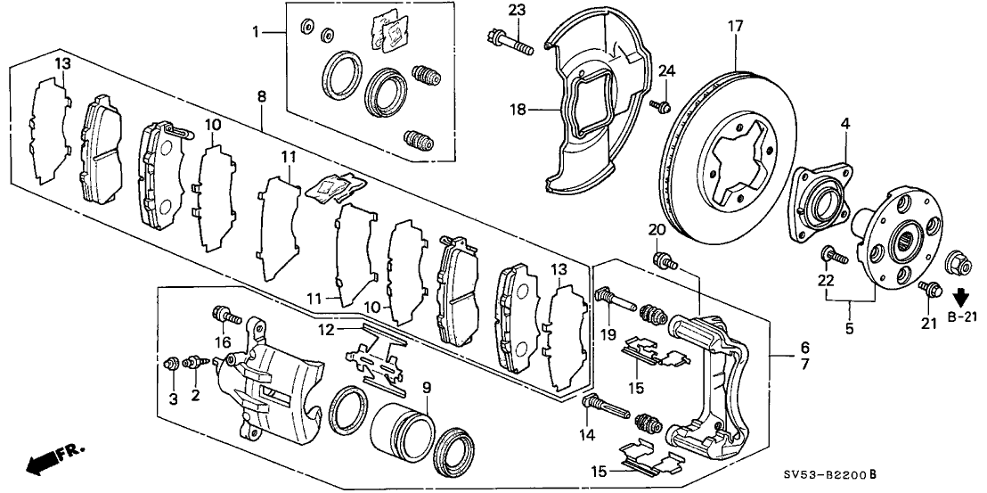
  • Ref No: 1 Caliper Set, FR.

Applications

HONDA CR-V 97-01 RD

HONDA PRELUDE BB5/6/7/8

HONDA INTEGRA 94-01 DC2

Share This Product:

Notify me when back in stock

Please tick this box to proceed.
  • Description
  • Additional Information
  • Reviews (0)

OEM HONDA CALIPER REBUILD KIT DC2 TYPE R FRONT

(01463-S87-A01)

SKU 01463-S87-A01
Brand GENUINE HONDA
Shipping Weight 0.2000kg
Shipping Width 0.080m
Shipping Height 0.020m
Shipping Length 0.150m

Be The First To Review This Product!

Help other JDMyard Pty Ltd users shop smarter by writing reviews for products you have purchased.

Write a product review

Related Products

SPOON SPORTS MONOCOQUE CALIPER SEAL KIT

SKU: SPP-45020-M08

SPOON SPORTS MONOCOQUE CALIPER SEAL KIT
  • For caliper 45020-MBF-G00 / G01
  • For caliper 45020-MBR-G00 / G01 / G02
  • 8 pcs
(0 review)
In Stock-Ready To Ship 4 in stock

AU $180.00 GST incl

OEM HONDA CALIPER REBUILD KIT EG6 EK4 CIVIC DC2 GSI VTIR REAR

SKU: 01473-ST7-010

OEM HONDA CALIPER REBUILD KIT EG6 EK4 CIVIC DC2 GSI VTIR REAR
  • Ref No 1
  • Compatible w/4x100 Rear Disc Caliper
(0 review)
In Stock-Ready To Ship 5 in stock

AU $86.00 GST incl

SPOON SPORTS MONOBLOCK CALIPER SET HONDA S2000 MONOBLOCK

SKU: 45020-MBR-G00

SPOON SPORTS MONOBLOCK CALIPER SET HONDA S2000 MONOBLOCK
  • Includes Mounting Brackets and Hardware
(0 review)
In Stock-Ready To Ship 5 in stock
ETA 18/06/26 Qty: 5

AU $2,381.00 GST incl

OEM HONDA CALIPER REBUILD KIT EG6 EK4 CIVIC FRONT

SKU: 01463-S04-V01

OEM HONDA CALIPER REBUILD KIT EG6 EK4 CIVIC FRONT
  • Ref No 1
  • Compatible w/262mm Rotor Front Caliper Only
(0 review)
In Stock-Ready To Ship 5+ in stock

AU $86.00 GST incl

SPOON SPORTS TWINBLOCK CALIPER SET HONDA CIVIC EG/EK, FIT/JAZZ GE/GK, INTEGRA DC2/DB8

SKU: 45020-DCR-G00

SPOON SPORTS TWINBLOCK CALIPER SET HONDA CIVIC EG/EK, FIT/JAZZ GE/GK, INTEGRA DC2/DB8
  • Includes Mounting Brackets and Hardware
(0 review)
In Stock-Ready To Ship 5 in stock

AU $2,381.00 GST incl

Be our Member and Get Instant Discount for every purchase you make.

JDMyard Pty Ltd logo
  • ABOUT US

    • Home
    • About
    • Contact Us
    • Brands
    • Privacy Policy
    • Terms and condition
    • Returns
  • CATEGORIES

    • Accessories
    • Brake System
    • Drivetrain
    • Electronics
    • Exhaust
    • Exterior
    • Interior
    • Suspension
  • CONTACT

  • 25/317-321 Woodpark Rd
    Smithfield NSW 2164
  • sales@jdmyard.com
  • 02 9757 2364
  • 25/317-321 Woodpark Rd
    Smithfield NSW 2164
  • sales@jdmyard.com
  • 02 9757 2364

FOLLOW US ON

  • Facebook
  • Instagram
  • Youtube

PAYMENT METHODS

  • Bank Deposit
  • zipMoney
  • Advanced Credit & Debit Card Payments
  • Afterpay
  • PayPal Checkout

© 2026 JDMyard Pty Ltd. All Rights Reserved.

Crafted by Perceptiv Digital

Terms & Conditions

Welcome to our website. If you continue to browse and use this website, you are agreeing to comply with and be bound by the following terms and conditions of use, which together with our privacy policy govern JDMyard Pty Ltd’s relationship with you in relation to this website. If you disagree with any part of these terms and conditions, please do not use our website.

The term ‘JDMyard Pty Ltd’ or ‘us’ or ‘we’ refers to the owner of the website whose registered office is Unit 25, 317-321 Woodpark Road, SMITHFIELD, NSW, 2164, AU. Our ABN is 53131333312. The term ‘you’ refers to the user or viewer of our website.

The use of this website is subject to the following terms of use:

  • The content of the pages of this website is for your general information and use only. It is subject to change without notice.
  • Neither we nor any third parties provide any warranty or guarantee as to the accuracy, timeliness, performance, completeness or suitability of the information and materials found or offered on this website for any particular purpose. You acknowledge that such information and materials may contain inaccuracies or errors and we expressly exclude liability for any such inaccuracies or errors to the fullest extent permitted by law.
  • Your use of any information or materials on this website is entirely at your own risk, for which we shall not be liable. It shall be your own responsibility to ensure that any products, services or information available through this website meet your specific requirements.
  • This website contains material which is owned by or licensed to us. This material includes, but is not limited to, the design, layout, look, appearance and graphics. Reproduction is prohibited other than in accordance with the copyright notice, which forms part of these terms and conditions.
  • All trademarks reproduced in this website, which are not the property of, or licensed to the operator, are acknowledged on the website.
  • Unauthorised use of this website may give rise to a claim for damages and/or be a criminal offence.
  • From time to time, this website may also include links to other websites. These links are provided for your convenience to provide further information. They do not signify that we endorse the website(s). We have no responsibility for the content of the linked website(s).
  • Your use of this website and any dispute arising out of such use of the website is subject to the laws of Australia.

Privacy Policy

Privacy Policy

At Jdmyard Pty Ltd we do things a little differently. For starters, we take a great deal of care when we handle your personal information and we do so in line with the 13 Australian Privacy Principles (APPs) that can be found at the OAIC website (www.oaic.gov.au).

Jdmyard Pty Ltd has developed a simplified and extended policy to help you better understand how your data is stored and used by us, as well as the purpose for which it is used and why. This simplified version will give you a quick snapshot, or if you're up for a thorough read, please view our complete Privacy Policy here.

This simplified Privacy Policy applies to personal information collected by Jdmyard Pty Ltd (jdmyard.neto.com.au).

Both the simplified privacy policy and the extended privacy policy were last updated on 18/08/2015.

Payments

At Jdmyard Pty Ltd we accept payments via the following third parties:

Paypal
Afterpay
Braintree
Zip Money

All payment information that is entered on our website is sent to these third parties securely and with industry standard encryption. No payment information is retained on our systems and is all managed by these third parties. Please see their websites above for more information on how they handle your personal and payment information.

What does Personal Information mean?

Personal information is information that may identify you or by which your identity may be reasonably determined. Such personal information may include your name, address, other contact details, your date of birth, or any other information that may be provided by you in order to access or make use of our services at www.jdmyard.com.au. In this privacy policy, 'personal information' has the same meaning as defined by section 6 of the Privacy Act 1988 ('Privacy Act').

How is my Personal Information Collected?

The main way we collect personal information is through you directly or through your authorised representative. That is, when you visit us at www.jdmyard.com.au and submit your personal information or request your personal information to be used (i.e. by subscribing to an email newsletter).

We sometimes collect personal information from a third party or from a publicly available source, but only if:

  • you have consented to such collection or would reasonably expect us to collect your personal information in this way, or
  • if it is necessary for a specific purpose such as the investigation of a privacy complaint.

Your personal information may be collected through the following services that are used on our website:

  • User contact forms
  • Cookies & Analytics
  • Mailing list
  • Maps/Video and other embedded content
  • Social Network widgets and buttons (Pinterest, Twitter etc)
  • When you sign up with us and create a login with us
  • Direct Marketing
  • Credit card payments including PayPal
  • Contacting Support
  • Advertising
  • Cross-border Disclosure of Personal Information
  • Third party polling and survey plugins (Survey Monkey etc)

We only collect personal information for purposes which are directly related to our functions or activities under the Privacy Act, the Freedom of Information Act 1982 (FOI Act), and only when it is necessary for or directly related to such purposes.

How do you use my Personal Information?

We only use personal information for the purposes for which we collected it – purposes which are directly related to one of our functions or activities that on the whole create a better user experience for you at www.jdmyard.com.au.

We do not give personal information about an individual to any government agencies, private sector organisations or anyone else unless one of the following applies:

  • you have consented
  • you would reasonably expect, or have told us, that information of this kind is usually passed to those individuals, bodies or agencies
  • it is otherwise required or authorised by law
  • it will prevent or lessen a serious and imminent threat to somebody's life or health, or
  • it is reasonably necessary for the enforcement of the criminal law or of a law imposing a pecuniary penalty, or for the protection of public revenue.

Is my Personal Information Stored Securely?

We take steps to protect the personal information we hold against loss, unauthorised access, use, modification or disclosure, and against other misuse.

When the personal information that we collect is no longer required, we destroy or delete it in a secure manner.

Can I Access or Change the Personal Information I give you?

Yes, you can access the personal information that we hold about you, and you can ask us to correct the personal information we hold about you. For more information, see our extended Privacy Policy or alternatively you can contact us directly using the contact details below.

Our Obligations

Jdmyard Pty Ltd is bound by the Australian Privacy Principles in the Privacy Act. We care about our users and do everything we can to adhere to the 13 Australian Privacy Principles as per the OAIC guidelines.

How to Contact Us

For further information contact us at support@jdmyard.com.au or alternatively you can write to us at jdmyard Pty Ltd, 25/317-321 Woodpark Rd Smithfield NSW 2164.

Afterpay

Shop Now. Pay Later.
100% Interest-free.

Simple instalment plans available instantly at checkout

Select Afterpay as your payment method

Use your existing debit or credit card

Complete your checkout in seconds

No long forms, instant approval online

Pay over 4 equal instalments

Pay fortnightly, enjoy your purchase straight away!


All you need is:

1) A payment card; 2) To be over 18 years of age; 3) Resident of country offering Afterpay

To see Afterpay's complete terms, visit https://www.afterpay.com/terms

© 2026 Afterpay